安博注册

  • 调节阀控制回路组态

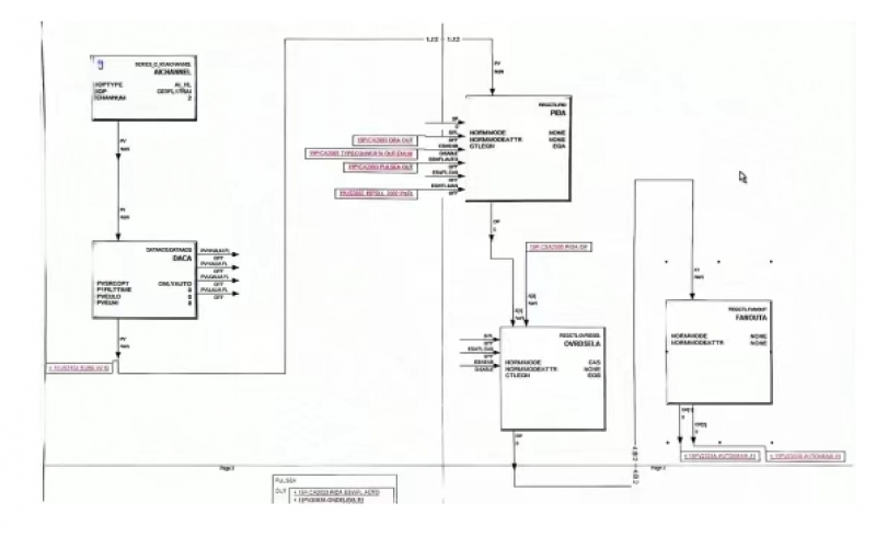
    实操任务:公司气化炉CO2缓冲罐出口压力调节阀控制回路组态

    2025-07-21 科威

  • 自力式调节阀(氮封阀)安装使用

    氮封阀的作用就是要当储罐液面下降压力降低时,向罐内补充氮气,当储罐液面上升压力增加时,停止补充氮气,同时被压缩的氮气从呼吸阀适量排出,从而始终保持罐内的氮气压力微量正压(压力一般在400~1000Pa之间)。只有这样才能做到既隔绝空气,又保证储罐不变形。

    2025-04-10 科威

  • 陶瓷球阀在煤气化的应用

    粉煤给料罐压力调节阀最早于2017年10月上线使用,介质为煤粉,原工况使用阀门为福斯的调节阀,使用寿命3个月左右,更换陶瓷球阀后,使用寿命大幅提升,截止工艺变更之前阀门无下线检修记录,也极大的更加了客户对陶瓷阀门的认可度,为后续阀门的应用铺垫了基础。

    2025-02-14 科威

  • 谈谈压力控制阀

    压力控制阀的主要功能是保护系统免受超压。压力过高可能是由于流体需求减少,也可能是由于阀门开启和关闭时产生的浪涌。这些阀门可以控制和调节流体动力系统中的压力,而且这些阀门尺寸较小,安装起来不会占用空间。通过在系统中使用压力控制阀,我们可以确保系统正常、安全地运行。

    2024-12-11 科威

  • 阀门定位器进水装置非计划停车原因分析

    13:20分析可能引起 FALL_02 的原因,分别是原料气进料切断阀UV-0001、原料混合流量调节FV-0001、原料去PSA入口切断UV-0001和原料气压力调节阀PV-3002。

    2024-10-09 科威

  • 压缩机一级出口压力高高联锁故障排查

    催焦柴新氢压缩机K101A机组联锁停机,动作原因为压缩机一级出口压力PIA400A 高高联锁。

    2024-09-27 科威

  • 压力调节阀不动作

    调节阀不动作故障原因分析 原因1: 无气源或气源压力过小。 措施:应首先检查气源( 仪表空气) 是否通畅,气源压力是否达到该阀使用要求。 原因2: 有气源,无输出信号气压力。

    2024-09-06 科威

  • 自力式调节阀相关知识分享

    自力式调节阀相关知识分享

    2024-01-26 科威

上一页12下一页 转至第
首页
产品
新闻
联系