钢铁厂6#炉锅炉火焰检测装置QC项目报告案例
2022-11-18 科威
什么叫行程开关、限位开关、接近开关以及三者之间区别
同步相量测量装置功能知识介绍
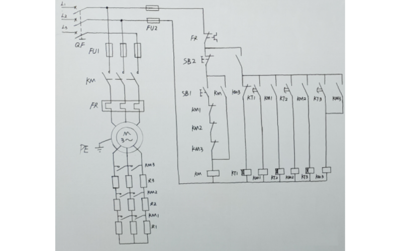
绕线转子异步电动机转子串电阻启动电路解析
2022-11-17 科威
EPKS系统简单AI点的组态分享
电气开关设备的智能化知识介绍分享
机械密封漏液的原因及水泵漏液的解决办法
2022-11-16 科威
液压扳手同步水泥磨辊压机锁紧盘螺栓紧固