安博注册

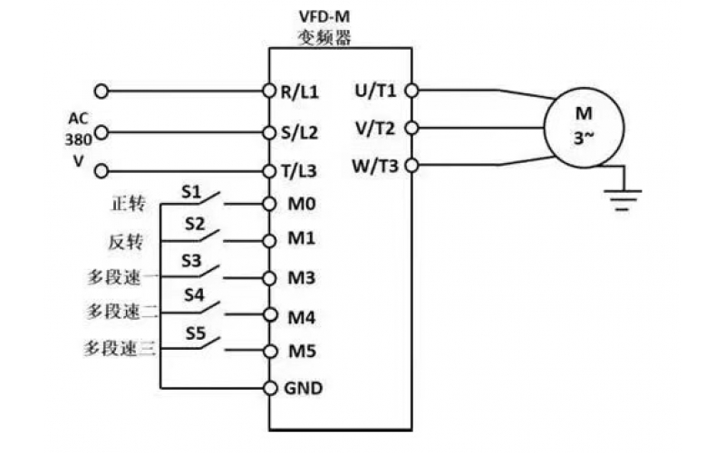
  • 变频器的矢量控制和V/F控制你了解​吗?

    变频器的矢量控制和V/F控制是两种常见的电机控制方式,它们在原理、性能、应用场景等方面存在显著差异。以下将从多个角度详细分析这两种控制方式,并结合我搜索到的资料进行说明。

    2025-05-28 科威

  • 阀门定位器阻抗高,阀门开度最大开60%原因分析

    该阀门定位器阻抗为 650Ω,而控制信号隔离器带载能力为 580Ω绝大多智能仪表的阻抗一般不会超过 550Ω。因此可以确定为信号隔离器的带载能力与定位器不匹配,在阀门开至 60%以后控制信号无法驱动定位器动作。

    2025-05-28 科威

  • 温度变送器出现无输现象的原因分析

    热电偶温度变送器一般由基准源、冷端补偿、放大单元、线性化处理、V/I转换、断偶处理、反接保护、限流保护等电路单元组成。它是将热电偶产生的热电势经冷端补偿放大后,再帽由线性电路消除热电势与温度的非线性误差,最后放大转换为4~20毫安电流输出信号。

    2025-05-26 科威

  • PID与PFD区别

    PFD可以让工作人员对整个过程有一个整体的了解。这些流程图可能并不总是显示整个工厂的工作情况。典型的PFD将包含温度、压力和质量流量等运行数据。泄压阀和安全阀通常不包括在PFD中,但是控制阀等关键部件在 PFD职中,这些图表在尺寸上可能与实际工厂不同步。

    2025-05-26 科威

  • 关于氯化氢报警器值设定知识分享

    氯化氢报警器我公司设定值:低报:5ppm,高报10ppm,此设定值安全专家提出异议,应该设定为:低报:4.6ppm,高报9.2ppm,经过多方查证,确定我公司氯化氢报警器报警设定值符合国家标准规范要求,低报:5ppm,高报10ppm。

    2025-05-26 科威

  • 仪表设备常见压力单位及换算知识分享

    在我们的日常生活以及工业生产场景中,压力单位可以说是随处可见。无论是检查汽车轮胎的胎压,还是关注工业管道的压强情况,准确理解和运用压力单位都显得尤为重要。接下来,就让我们一起深入了解常见的压力单位及其换算关系吧。

    2025-05-23 科威

  • DCS、PLC、GDS、SIS仪表系统隐患排查要点

    核心标准依据在 DCS 系统检测中,GB/T 50770-2013《石油化工安全仪表系统设计规范》明确划定 “硬指标”:控制室需维持恒温恒湿环境,温度稳定在 20±2℃,湿度不超过 60% RH;控制器冗余切换需在 100ms 内完成,输出波动范围控制在量程的 ±0.5% 以内。国际标准 IEC 61511-1:2016 则要求 SIL2 级以上系统必须采用 1oo2D 硬件冗余架构,EEMUA 191:2013 更对报警管理提出量化标准 —— 单画面报警不得超过 10 条,紧急报警优先显示。

    2025-05-23 科威

  • 在线分析小屋气体报警仪的设置

    在线气体分析小屋,在工业流程里扮演着不可或缺的角色。它的安全保障涉及多个维度,从电气防爆到通风报警,从危险标识到联锁控制,每一个环节都有严格的标准规范。GB 29812-2013 中,对分析小屋的危险标识、防爆要求等都有着细致入微的规定。

    2025-05-23 科威

首页
产品
新闻
联系