KWZK-A磁致伸缩液位计故障分析
2022-09-27 科威
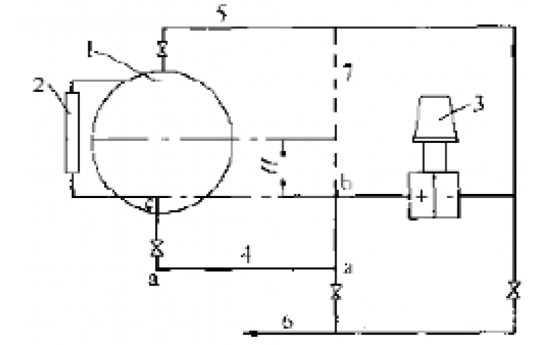
KWZK-DJD600电接点液位计故障处理
2022-09-26 科威
KWZK-DJD600电接点液位计电极故障分析
YC-LW2音叉式液位开关的故障处理
各种液位计故障处理分享
2022-09-23 科威
KKF-200浮子式钢带液位计的故障分析
WAX-C320差压变送器在强腐蚀系统中的应用
WAX-C320差压变送器液面测量的管路改装分享
2022-09-22 科威